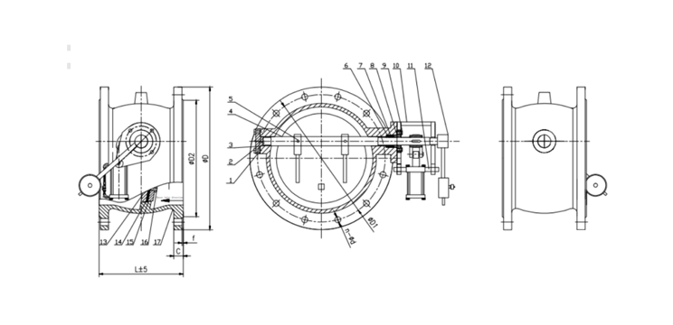
1. QT450-10 or WCB valve body,the chemical composition and mechanical properties meet the the national standard, material report can be provided;
2.All parts are processed by precision CNC machine tools to ensure product accuracy;
3.Excellent performance of slow closing system, not affected by the medium in the pipeline. The valve disc closes quickly first and then slowly closes to prevent destructive water hammer;
4. Rubber seals or stainless steel hard seals, smooth opening and closing, no vibration, no noise, valve discs and other parts can also be selected according to working conditions;
5.Valve shaft is supported by self-lubricating sleeve bearings to reduce friction and torque;
6.250μm thickness Akzo epoxy coating;
7.Each valve will be inspected for shell and seal pressure before leaving factory.
Size Range:DN100-DN2000
Pressure: PN10/16
Body Material:Ductile Iron QT450
Seat Material:EPDM
Disc Material:QT450-10
Stem Material:2Cr13
Features: Applicable medium:Water,Oil, etc
Suitable temperature:0℃~80℃
Application field: Water treatment, municipal construction, drainage, power plant, etc







