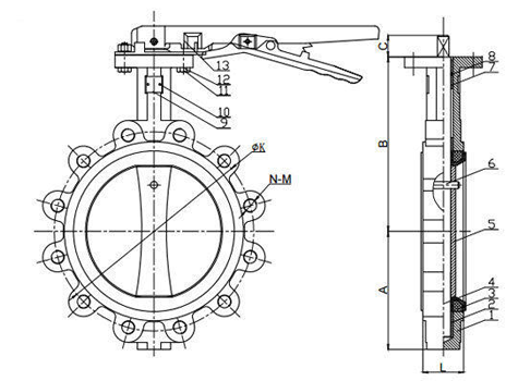
Size Range:DN50~DN200
Pressure: PN10/ PN16
Body Material:Cast Iron, Ductile Iron
Seat Material:NBR, EPDM, VITON, PTFE
Disc Material:Ductile Iron, WCB, CF8,CF8M, Al-bronze C958
Stem Material:SS416, SS304, SS316
Features: Single Eccentric Disc-Shaft
Anti-Blow Out Stem
Bi-Directional
Fire safe Design
Low Friction Body Seat
Zero Leakage







