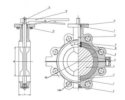
1.The length of the short structure can save raw materials and installation space, and also effectively support the strength of the pipeline.
2.The valve block is the correct movement of the gate, extrusion fast, to ensure effective sealing valve.
3.Triangle support material, guarantee the required mechanical properties.
4.According to different working conditions demand design V, triangle, or five corners and other ports, in order to meet the needs of various flow regulation.
5.No groove at the bottom to make sure no slag and full bore flow.
6.Pango valve strict implementation of the API598 experimental standard, for each product to implement 100% positive and negative double pressure test, guarantee delivery to customers is 100% qualified products.
7.Pango Group dedicated to the dedication of the valve for 23 years, with professional production, sales, research and after-sales team,we are your strong backing.
Size Range:DN50~DN200
Pressure: PN10/ PN16
Body Material:SS304, SS316
Seat Material:NBR, EPDM, VITON, PTFE
Disc Material:CF8,CF8M
Stem Material:SS416, SS304, SS316
Features: Single Eccentric Disc-Shaft
Anti-Blow Out Stem
Bi-Directional
Fire safe Design







