Get Started
Double Offset Butterfly Valve

Size Range:DN100-DN3000

Pressure: PN10/16

Body Material:Ductile Iron/WCB

Seat Material:SS304+NBR

Disc Material:QT450-10

Stem Material:2Cr13

Features: High precision, solid and heavy valve body,multiple seats available.It is mainly used in water treatment, municipal construction, drainage, power plants, etc.

Get a Quote
Product advantages

Ductile Iron/WCB body

The body material is QT450 or WCB, and the chemical composition and mechanical properties meet the requirements of national standards. Material reports can be provided.


Processed by CNC precision machine

The valve body and inner parts are processed by CNC precision machine with high precision.


Two-way sealing

Adopt body sealing structure, which is different from the conventional plate sealing structure in the market, and can realize two-way sealing.


Multiple seats available

There are rubber soft seals and stainless steel hard seals available. The valve plate and other parts can also be selected according to the working conditions.


More wear-resistant

The valve seat is welded with stainless steel, which is more wear-resistant and has a longer service life.


Reduce torque

The valve shaft is supported by self-lubricating sleeve bearings, which can reduce the friction produced during valve shaft transmission and reduce torque.

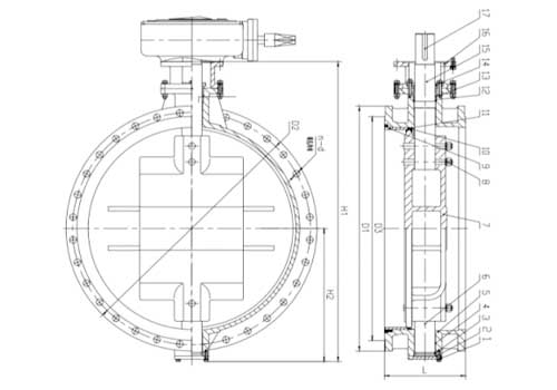
Parameters

115.jpg

Parameter Information:

1. Executive standard:

NameDesign and manufactureFace to face LengthEnd  FlangePressure Test
Reference StandardGB/T 12238GB/T 12221GB/T 17241.6GB/T 13927


2. Material of Main Parts:

NameBodySeatDiscStem
Reference StandardDI
SS304+NBRQT4502Cr13


3. Dimensions:

Size
PN10PN16
DNNPTLD2n-dD2n-d
1004"1271808-Φ191808-Φ19
1255"1402108-Φ192108-Φ19
1506''1402408-Φ222408-Φ22
2008''1522958-Φ2229512-Φ22
25010''16535012-Φ2235512-Φ28
30012''17840012-Φ2241012-Φ28
35014''19046016-Φ2247016-Φ28
40016''21651516-Φ2852516-Φ31
45018''22256520-Φ2858520-Φ31
50020''22962020-Φ2865020-Φ24
60024''26772520-Φ3177020-Φ37
70028''29284024-Φ3184024-Φ37
80032''31895024-Φ3495024-Φ40
90036''330105028-Φ34105028-Φ40
100040''410116028-Φ37117028-Φ43
120048''470138032-Φ40139032-Φ49
140056''530159036-Φ43159036-Φ49
160064''600182040-Φ49182040-Φ56
180072''670202044-Φ49202044-Φ56
200080''760223048-Φ49223048-Φ62
220088''800    /
240096''850
2600104''900
2800112''950
3000120''1000