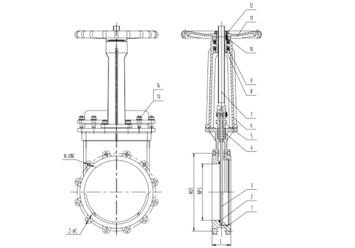
1. Precision casting valve body. Standard WCB material, fine appearance, no trachoma. Each batch of castings have furnace number.
2. The wedge is burnished smoothly 3 times and polished 5 times to ensure that the wedge is closely combined with the valve body.
3. The valve stem is equipped with bearing and safety dust cover to protect the bearing and reduce friction. The valve stem is not easy to be deformed so that the service life is increased.
4. The upper packing adopts PTFE rubber seal, which can increase the elasticity and reduce the leakage of upper seal.
5. The steel wire is added to the u-shaped sealing ring of the seat to ensure the connection between the seat and the valve body is not easy to fall off.
6. The shell of each valve is manufactured in accordance with the national standards, seal double - layer pressure testing.
7. The valve body is coated with powder foam epoxy resin, with a spray thickness of 250μm. It can effectively prevent corrosion and rust caused by contact between the valve body and the medium, and can be used in sewage system.
8. From the raw material to the finished product, every process has strict inpection.
9. Pango brand product quality is covered by China Pacific Insurance with two million dollars. Two years warranty, pay two back if one bad within two years. Any quality problems of the product itself, we will pay without conditions.






