1. The body is made of high-quality carbon steel, the material composition and performance meet the standards.
2. The screen is made of stainless steel 304, which is corrosion-resistant and durable;
3. The welding adopts robot automatic welding to form at one time, the welding seam is flat and firm;
4. The number of filter meshes can be customized according to customer needs;
5. Using flexible graphite sealing gasket, high temperature resistance and good sealing performance;
6. Each strainer will do pressure test according to national standards before leaving the factory.

Parameter Information:
1. Executive standard:
| Name | Design and manufacture | Pressure Test | End flange |
| Reference standard | SH/T 3411-2017 | GB/T 13927-2008 | HG/T 20592-2009 |
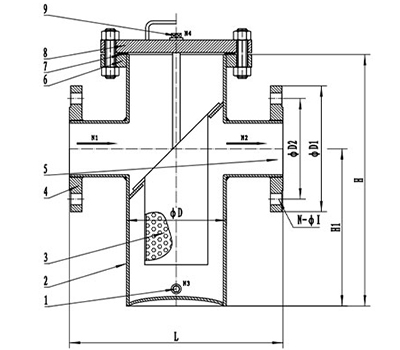
2. Material of Main Parts:
| Name | 1-sewage outlet | 2-Body | 3-Screen | 7-Gasket |
| Material | Q235 | Q235 | SS304 | Flexible Graphite |
3. Dimensions:
| Size(DN) | NPS | L | H | H1 | ΦD | ΦD1 | ΦD2 | n-ΦI |
| 15 | 1/2'' | 180 | 260 | 160 | 76 | 95 | 65 | 4-14 |
| 20 | 3/4'' | 180 | 260 | 160 | 76 | 105 | 75 | 4-14 |
| 25 | 1'' | 180 | 260 | 160 | 76 | 115 | 85 | 4-14 |
| 32 | 1 1/4'' | 200 | 270 | 160 | 76 | 140 | 100 | 4-18 |
| 40 | 1 1/2'' | 260 | 300 | 170 | 108 | 150 | 110 | 4-18 |
| 50 | 2'' | 260 | 300 | 170 | 108 | 165 | 125 | 4-18 |
| 65 | 2 1/2'' | 330 | 360 | 240 | 133 | 185 | 145 | 8-18 |
| 80 | 3'' | 340 | 400 | 250 | 159 | 200 | 160 | 8-18 |
| 100 | 4'' | 400 | 470 | 300 | 219 | 220 | 180 | 8-18 |
| 125 | 5'' | 480 | 550 | 360 | 273 | 250 | 210 | 8-18 |
| 150 | 6'' | 500 | 630 | 420 | 273 | 285 | 240 | 8-22 |
| 200 | 8'' | 560 | 780 | 530 | 325 | 340 | 295 | 12-22 |
| 250 | 10'' | 660 | 930 | 640 | 426 | 405 | 355 | 12-26 |
| 300 | 12'' | 750 | 1200 | 840 | 457 | 460 | 410 | 12-26 |
| 350 | 14'' | 810 | 1370 | 920 | 508 | 520 | 470 | 16-26 |
| 400 | 16'' | 900 | 1500 | 950 | 559 | 580 | 525 | 16-30 |