1. Precision casting valve body. Standard WCB material, fine appearance, no trachoma. Each batch of castings have furnace number.
2. Use CNC lathes to machine internals. After the machining, the valve body is shot blasted twice, and the appearance is beautiful.
3. The same diameter valve has heavier weight compared with other manufacturers.
4. the valve seat material is cr-based stainless steel + surfacing 507 molybdenum, increasing the wear resistance of the valve seat.
5. The valve cover and the valve stem are in contact with the valve to prevent the leakage.
6. The valve stem is processed by cyclone milling to avoid the difficulty of switching due to the bending of the valve stem.
7. Each valve is factory tested for pressure according to national standards.
8. From the raw material to the finished product, every process has strict inpection.
9. Pango brand product quality is covered by China Pacific Insurance with two million dollars. Two years warranty, pay two back if one bad within two years. Any quality problems of the product itself, we will pay without conditions.

Parameter Information:
1. Executive standard:
| Name | Design and manufacture | Face to face Length | Pressure Test | End Flange |
| Reference Standard | ASME B16.34 | ASME B16.10 | API598 | ASME B16.5 |
2. Material of Main Parts:
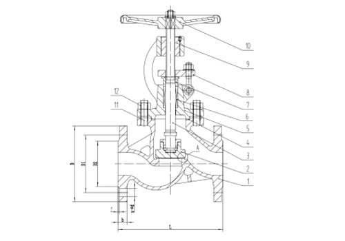
| Name | 1-Body | 2-Seat | 3-Disc | 4-Stem | 5-Handwheel |
| Material | SS304 | 13Cr | WCB | 2Cr13 | DI |
3. Dimensions:
| Size | 150LB |
| DN | NPS (inch) | L | D | D1 | D2 | z-Φd |
| 15 | 1/2'' | 108 | 90 | 60.3 | 34.9 | 4-16 |
| 20 | 3/4'' | 117 | 100 | 69.9 | 42.9 | 4-16 |
| 25 | 1'' | 127 | 110 | 79.4 | 50.8 | 4-16 |
| 32 | 1-1/4'' | 140 | 115 | 88.9 | 63.5 | 4-16 |
| 40 | 1-1/2'' | 165 | 125 | 98.4 | 73 | 4-16 |
| 50 | 2'' | 203 | 150 | 120.7 | 92.1 | 4-19 |
| 65 | 2-1/2'' | 216 | 180 | 139.7 | 104.8 | 4-19 |
| 80 | 3'' | 241 | 190 | 152.4 | 127 | 4-19 |
| 100 | 4'' | 292 | 230 | 190.5 | 157.2 | 8-19 |
| 125 | 5'' | 356 | 255 | 215.9 | 185.7 | 8-22 |
| 150 | 6'' | 406 | 280 | 241.3 | 215.9 | 8-22 |
| 200 | 8'' | 495 | 345 | 298.5 | 269.9 | 8-22 |
| 250 | 10'' | 622 | 405 | 362 | 323.8 | 12-25 |
| 300 | 12'' | 698 | 485 | 431.8 | 381 | 12-25 |
| 350 | 14'' | 787 | 535 | 476.3 | 412.8 | 12-29 |
| 400 | 16'' | 914 | 595 | 539.8 | 469.9 | 16-29 |
| 450 | 18'' | 978 | 635 | 577.9 | 533.4 | 16-32 |
| 500 | 20'' | 978 | 700 | 635 | 584.2 | 20-32 |
|
| Size | 300LB |
| DN | NPS (inch) | L | D | D1 | D2 | z-Φd |
| 15 | 1/2'' | 152 | 95 | 66.7 | 34.9 | 4-16 |
| 20 | 3/4'' | 178 | 115 | 82.6 | 42.9 | 4-19 |
| 25 | 1'' | 203 | 125 | 88.9 | 50.8 | 4-19 |
| 32 | 1-1/4'' | 216 | 135 | 98.4 | 63.5 | 4-19 |
| 40 | 1-1/2'' | 229 | 155 | 114.3 | 73 | 4-22 |
| 50 | 2'' | 267 | 165 | 127 | 92.1 | 8-19 |
| 65 | 2-1/2'' | 292 | 190 | 149.2 | 104.8 | 8-22.5 |
| 80 | 3'' | 318 | 210 | 168.3 | 127 | 8-22.5 |
| 100 | 4'' | 356 | 255 | 200 | 157.2 | 8-22.5 |
| 125 | 5'' | 400 | 280 | 235 | 185.7 | 8-22.5 |
| 150 | 6'' | 444 | 320 | 269.9 | 215.9 | 12-22.5 |
| 200 | 8'' | 559 | 380 | 330.2 | 269.9 | 12-25.5 |
| 250 | 10'' | 622 | 445 | 387.4 | 323.8 | 16-29 |
| 300 | 12'' | 711 | 520 | 450.8 | 381 | 16-32 |
| 350 | 14'' | 838 | 585 | 514.4 | 412.8 | 20-32 |
| 400 | 16'' | 864 | 650 | 571.5 | 469.9 | 20-35 |
| 450 | 18'' | 978 | 710 | 628.6 | 533.4 | 24-35 |
| 500 | 20'' | 1016 | 775 | 685.8 | 584.2 | 24-35 |
|
| Size | 600LB |
| DN | NPS (inch) | L | D | D1 | D2 | z-Φd |
| 50 | 2'' | 292 | 165 | 127 | 92.1 | 8-19 |
| 65 | 2-1/2'' | 330 | 190 | 149.2 | 104.8 | 8-22.5 |
| 80 | 3'' | 356 | 210 | 168.3 | 127 | 8-22.5 |
| 100 | 4'' | 432 | 275 | 215.9 | 157.2 | 8-25.5 |
| 125 | 5'' | 508 | 330 | 266.7 | 185.7 | 8-29 |
| 150 | 6'' | 559 | 355 | 292.1 | 215.9 | 12-29 |
| 200 | 8'' | 660 | 420 | 349.2 | 269.9 | 12-32 |
| 250 | 10'' | 787 | 510 | 431.8 | 323.8 | 16-35 |
| 300 | 12'' | 838 | 560 | 489 | 381 | 20-35 |
| 350 | 14'' | 889 | 605 | 527 | 412.8 | 20-38 |
| 400 | 16'' | 991 | 685 | 603.2 | 469.9 | 20-41 |