Get Started
PTFE Lined Wafer Butterfly Valve

Size Range:DN40-1200

Pressure: 5K/10K/150LB

Body Material:Cast Iron/Cast Steel/Stainless Steel

Seat Material:PTFE

Disc Material:WCB

Stem Material:2Cr13

Features: The valve body with high precision and high quality.It is mainly used municipal construction, chemical industry, water treatment, electricity, petroleum, water supply and drainage, water conservancy projects.

Get a Quote
Product advantages

Applicable medium:Water, weak acid and alkali, air, steam, oil, etc.

Application field: Municipal construction, chemical industry, water treatment, electricity, petroleum, water supply and drai


1.Strong pressure bearing capacity of valve body wall

Valve body wall thickness to meet the requirements of GB 26640, thick thickness, pressure strength is guaranteed.


2.Ultrasonic cleaning before packaging

Eliminate impurities in the valve body, ensure the cleanliness of the valve and prevent the valve itself to pipe water pollution.


3.Solid valve body, more stable

Valve body is solid body, same caliber weight is heavier than other manufacturers.


4.Heat-shrinkable film for independent packaging

PE thermal shrinkable film is used to package the valve independently, and built-in desiccant, to isolate air dust, avoid damp pollution valve.


5.The position of signboard is humanized

The position of the signboard is humanized and set on both sides of the valve body for users to view after installation.


6.The sign has a beautiful appearance and strong connection

Laser marking, clear writing, long life.Use stainless steel rivet to fix, the appearance is more beautiful, the connection is more firm.

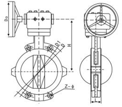
Parameters

350.jpg


Parameter Information:

Dimensions:

DNShape sizeConnection dimension
LH2H1PN10PN16
DD1Z-ΦdDD1Z-Φd
50108143851651254-Φ181601254-Φ18
65112157931851454-Φ181801454-Φ18
801141781002001604-Φ181951608-Φ18
1001271851102201808-Φ182151808-Φ18
1251402061202502108-Φ182452108-Φ18
1501402251602852408-Φ232802408-Φ23
2001522752453402958-Φ2333529512-Φ23
25016532626039535012-Φ2340535512-Φ26
30017833330044540012-Φ2346041012-Φ26
35019039332050546016-Φ2352047016-Φ26
40021643833056551516-Φ2658052516-Φ30
45022248838061556520-Φ2664058520-Φ30
50022954039067062020-Φ2671565020-Φ33
60026761545078072520-Φ3084077020-Φ36
70029266048089584024-Φ3091084024-Φ36
800318720580101095024-Φ34102095024-Φ39
9003307856251110105028-Φ341120105028-Φ39
10004109006601220116028-Φ341255117028-Φ42
120047010707801450138032-Φ411485139032-Φ48