Suitable medium:Water, weak acid and alkali, air, steam, oil, etc.
Application field: Municipal construction, chemical industry, water treatment, electricity, petroleum, water supply and drai
Size Range:DN50-DN1200
Pressure: 5K/10K/150LB
Body Material:Cast Iron/Cast Steel/Stainless steel
Seat Material:FEP(F46)/PTFE(F4)/PFA/PO
Disc Material:DI/WCB/CF3/ CF3M/CF8/CF8M/ C954
Stem Material:45#/410/ 2Cr13/Cr13/SS304/SS316
Suitable medium:Water, weak acid and alkali, air, steam, oil, etc.
Application field: Municipal construction, chemical industry, water treatment, electricity, petroleum, water supply and drai

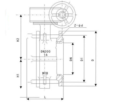
Parameter Information:
Dimensions:
| DN | Shape size | Connection dimension | |||||||
| L | H2 | H1 | 1.0MPa | 1.6MPa | |||||
| D | D1 | Z-Φd | D | D1 | Z-Φd | ||||
| 50 | 108 | 143 | 85 | 165 | 125 | 4-Φ18 | 160 | 125 | 4-Φ18 |
| 65 | 112 | 157 | 93 | 185 | 145 | 4-Φ18 | 180 | 145 | 4-Φ18 |
| 80 | 114 | 178 | 100 | 200 | 160 | 4-Φ18 | 195 | 160 | 8-Φ18 |
| 100 | 127 | 185 | 110 | 220 | 180 | 8-Φ18 | 215 | 180 | 8-Φ18 |
| 125 | 140 | 206 | 120 | 250 | 210 | 8-Φ18 | 245 | 210 | 8-Φ18 |
| 150 | 140 | 225 | 160 | 285 | 240 | 8-Φ23 | 280 | 240 | 8-Φ23 |
| 200 | 152 | 275 | 245 | 340 | 295 | 8-Φ23 | 335 | 295 | 12-Φ23 |
| 250 | 165 | 326 | 260 | 395 | 350 | 12-Φ23 | 405 | 355 | 12-Φ26 |
| 300 | 178 | 333 | 300 | 445 | 400 | 12-Φ23 | 460 | 410 | 12-Φ26 |
| 350 | 190 | 393 | 320 | 505 | 460 | 16-Φ23 | 520 | 470 | 16-Φ26 |
| 400 | 216 | 438 | 330 | 565 | 515 | 16-Φ26 | 580 | 525 | 16-Φ30 |
| 450 | 222 | 488 | 380 | 615 | 565 | 20-Φ26 | 640 | 585 | 20-Φ30 |
| 500 | 229 | 540 | 390 | 670 | 620 | 20-Φ26 | 715 | 650 | 20-Φ33 |
| 600 | 267 | 615 | 450 | 780 | 725 | 20-Φ30 | 840 | 770 | 20-Φ36 |
| 700 | 292 | 660 | 480 | 895 | 840 | 24-Φ30 | 910 | 840 | 24-Φ36 |
| 800 | 318 | 720 | 580 | 1010 | 950 | 24-Φ34 | 1020 | 950 | 24-Φ39 |
| 900 | 330 | 785 | 625 | 1110 | 1050 | 28-Φ34 | 1120 | 1050 | 28-Φ39 |
| 1000 | 410 | 900 | 660 | 1220 | 1160 | 28-Φ34 | 1255 | 1170 | 28-Φ42 |
| 1200 | 470 | 1070 | 780 | 1450 | 1380 | 32-Φ41 | 1485 | 1390 | 32-Φ48 |