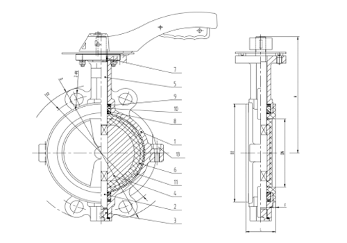
1. Precision casting valve body. Standard WCB material, fine appearance, no trachoma. Each batch of castings have furnace number.
2. Teflon seat is molded by integral die-casting to ensure the density and sealing after machining.
3. Double seal rings are used to seal up and down the valve shaft to avoid leakage at the valve shaft.
4. Valve body is covered with powder foam epoxy resin by electrostatic coating with a spray thickness of 250 centimetres, which can effectively prevent corrosion and rust caused by contact between the valve body and the medium, and can be used in the sewage system.
5. All teflon raw materials adopt domestic first-line brands.
6. From the raw material to the finished product, every process has strict inpection.
7. Pango brand product quality is covered by China Pacific Insurance with two million dollars. Two years warranty, pay two back if one bad within two years. Any quality problems of the product itself, we will pay without conditions.







